А вообще после появления квартир в Росреестре когда эти квартиры в программе ДЖО появятся для распределения?Зам его ответила на вопрос друга что по ул.Калинина 350 у них данных нет ещё в ихней программе.
Краснодар и Краснодарский край
#7081
Re:
#7082Камикадзе, что именно Вам не понятно? Согласно ссылке #7078 24 августа 2012 года, Fletcher написал S=54.3Fletcher,
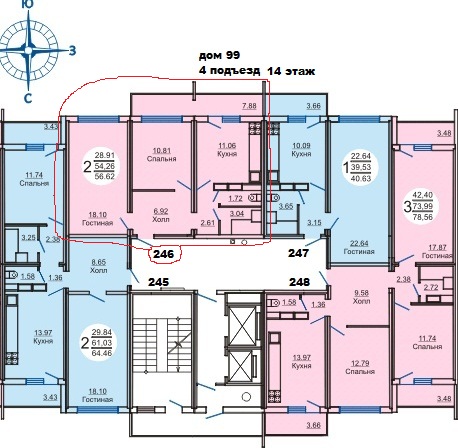
Спасибо всем! За то что выложили планировку 40 лет Победы. Но извините, все равно не понятно 14 этаж квартира 246, 54,3 кв.м. Согласно ссылке #7078 24 августа 2012 года Fletcher написал одну планировку. Byaka другую #7081 25 августа 2012 года. Люди добрые, так кто прав? Byaka, вы живете уже в 244 квартире и точно ли 246, двушка которая находится выше такая как вы выложили планировку?
"Кто так строит, кто так строит..."
Добавлено спустя 41 секунду:
Byaka,
Спасибо всем! За то что выложили планировку 40 лет Победы. Но извините, все равно не понятно 14 этаж квартира 246, 54,3 кв.м. Согласно ссылке #7078 24 августа 2012 года Fletcher написал одну планировку. Byaka другую #7081 25 августа 2012 года. Люди добрые, так кто прав? Byaka, вы живете уже в 244 квартире и точно ли 246, двушка которая находится выше такая как вы выложили планировку?
"Кто так строит, кто так строит..."
Согласно ссылке #7081 25 августа 2012 года, я написал . "Ваша" квартира 246, 14 этаж. Мне кажется планировки одинаковые в обоих сообщениях. Про точные размеры квартир можно сказать только после своих измерений. Вот моя квартира площадь бьет, в соседних не был, не измерял. Думаю там тоже бьет, как и у Вас. Я кв.244 принял в апреле, пока ещё не живу, приказ на увольнение есть, а вот исключать не хотят, наверное нужен кому-то

Если ещё, что-то не понятно будет, или вопросы какие-нибудь будут, стучите в личку.

#7083
КамикадзеFletcher,
Спасибо всем! За то что выложили планировку 40 лет Победы. Но извините, все равно не понятно 14 этаж квартира 246, 54,3 кв.м. Согласно ссылке #7078 24 августа 2012 года Fletcher написал одну планировку. Byaka другую #7081 25 августа 2012 года. Люди добрые, так кто прав? Byaka, вы живете уже в 244 квартире и точно ли 246, двушка которая находится выше такая как вы выложили планировку?
Byaka объяснил вам

Re: Краснодар и Краснодарский край
#7085Доброе утро! Я у вас впервые. Подскажите пожалуйста. Ездили смотреть квартиру в конце июля в Краснодаре, сказали прикрепим и в течение месяца ждите извещение. Заверяли что в списках и это точно. Сегодня выясняется, что квартиру отдали другому человеку. В очереди с февраля 2011. Как думаете, еще долго ждать? В Джо только один ответ ждите, когда будет извещение не знаем. Спасибо
Добавлено спустя 1 минуту 11 секунд:
А забыла статус у нас внеочередник.
Добавлено спустя 1 минуту 11 секунд:
А забыла статус у нас внеочередник.
- dedOptik
- Активный участник
- Сообщения: 144
- Зарегистрирован: 25 янв 2011, 07:47
- Откуда: Краснодар 109 в/г
#7086
@лсу,
Вам правильно сказали.Ждите.Квартиру можете считать прикреплённой за собой только после получения ключей.Всё остальное слова.
Я ждал в списках с 2000 года,а как внеочередник с 2009 года. Если вы распоряженцы и подлежите увольнению , то скорее всего, обеспечат жильём в ближайший год.
Вам правильно сказали.Ждите.Квартиру можете считать прикреплённой за собой только после получения ключей.Всё остальное слова.

ВОЗМОЖНО Я В ЧЁМ-ТО НЕ ПРАВ. А КОМУ ЛЕГКО?
Re: Краснодар и Краснодарский край
#7087Да согласна ждать и ждем. Просто дети маленькие не знаем отдавать их в садик или нет, мы не местные сами, или дождаться Краснодара уж. Исходя из Вашего опыта, мы же имеем шансы на Калинина или Дзержинского?Или есть способы как то ускорить процесс?Спасибо за помощь.
#7088
Вчера вернулись из Краснодара. В понедельник заехали в Ростой - заключили ДСН на 40- летия Победы д 99. кв 88. В Краснодаре получили ключи, подписали с УК все бумаги. Сдали паспорта на прописку и вернулись в свой ЗАТО собирать вещи. В РУЖО приезжают и подбирают себе квартиры ( как и мы). Конечно, перебирать не приходится. Дают остатки на Покрышкина, Аверкиева, 40-летия Победы, и еще на Ленина. При нас в/с взял на Ленина "однушку" на себя 51 м с доплатой 450 т.р.
3-х комнатная на 40-летия Победы имеет не 3, а 2 балкона. Первый дом идет встык со вторым, поэтому противоположная комната закрывается вторым домом и получается не угловой. Но из-за этого нет балкона, как в планировке. В принципе квартира понравилась. Хотя и 74 м (можно было расчитывать на
88). Но навряд ли будет что-то лучше. Тем более, с Селезнева оказались в "пролете".
3-х комнатная на 40-летия Победы имеет не 3, а 2 балкона. Первый дом идет встык со вторым, поэтому противоположная комната закрывается вторым домом и получается не угловой. Но из-за этого нет балкона, как в планировке. В принципе квартира понравилась. Хотя и 74 м (можно было расчитывать на
88). Но навряд ли будет что-то лучше. Тем более, с Селезнева оказались в "пролете".
#7089
Есть кто в курсе последних событий? когда же всё таки начнётся распределение жилья между военнослужащими на Калинина 350 или Дзержинского 54?
#7090
Вчера заселился на карякина 27, процесс от осмотра квартиры до заселения - 2 недели, включая выписку извещения, решение на заселение и ДСН. 

#7092
GALYA,
Расшифруйте пожалуйста что значит --- В РУЖО приезжают и подбирают себе квартиры - без извещения?, простите если глупый вопрос, но я не пойму
Расшифруйте пожалуйста что значит --- В РУЖО приезжают и подбирают себе квартиры - без извещения?, простите если глупый вопрос, но я не пойму

Re: Краснодар и Краснодарский край
#7093GALYA
Если не сложно объясните почему пролетели с Селезнева и второй вопрос почему претендовали на 88 м.
Если не сложно объясните почему пролетели с Селезнева и второй вопрос почему претендовали на 88 м.
#7094
Сомневаюсь, что на Селезнева будут квартиры для военнслужащих. Слишком там все проблемно. Тем более идет упорный слух, что договор с ЮСКК расторгнут. Как выше, я уже писала месяц назад написали отказ по электронке. От 14 августа извещение на 40- летие Победы 1 подъезд. Узнаем - квартира занята. Едем в Ростов, пишем отказ (хотя извещение ушло уже в ЗАТО). Можно написать отказ от руки прямо на месте на отдельном листе.GALYA
Если не сложно объясните почему пролетели с Селезнева и второй вопрос почему претендовали на 88 м.
Говорят - квартиры есть. Подбирают свободную во втором подъезде. Но до обеда Москва никак не могла разблокировать базу. После обеда база разблокирована. Заносят наши данные по квартире новой. Выписывают извещение (РУЖО уже само выписывает извещения). И далее весь процесс у нас занял ровно неделю. 88 м - семья + доп. метры.
Добавлено спустя 11 минут 54 секунды:
Как я написала, квартиру подбирали и выписали извещение в один день.GALYA,
Расшифруйте пожалуйста что значит --- В РУЖО приезжают и подбирают себе квартиры - без извещения?, простите если глупый вопрос, но я не пойму
Приезжали в/с (те, которых я наблюдала в этот день) без извещений, шли к Колычеву. Он давал указания и в соседнем кабинете женщина смотрела, какие квартиры свободны и занималась этим вопросом. (месяц назад, когда оказались от Селезнева, Колычев был в отпуске. Муж звонил его заму. Она сказала, квартиры есть, подберем. Потом перезвонила и сказала. что будет квартира на Аверкиева. Немного подождали - извещения нет. Муж - звонит в Ростов. Зам ушла в отпуск, но вышел Колычев. Он сказал квартиры есть - Подберем на Покрышкина или 40-летия Победы. Но квартира оказалась занята, как я писала выше. (Такой учет).
Просто надо звонить, а если есть возможность, лучше ехать и решать вопрос на месте.
#7095
В РУЖО спрашивали за Калинина. Сказали, что извещения начнут выписывать через три месяца. Наверное все-таки будет раньше.Есть кто в курсе последних событий? когда же всё таки начнётся распределение жилья между военнослужащими на Калинина 350 или Дзержинского 54?
Интересуйтесь на форуме http://vkrasnodar.info/skornyajnaya-kalinina-350-f21/
#7096
Скажите,так кто же их всё таки выписывает,Москва или ЮРУЖО?В РУЖО спрашивали за Калинина. Сказали, что извещения начнут выписывать через три месяца.
#7097
Извещения выписывает РУЖО с июля месяца. По остаткам квартир: по каждой квартире звонят в Москву для разблокировки программы по квартире и заносят данные. Теперь по каждому вновь построенному дому или городку Москва будет распределять общее количество квартир по каждому РУЖО. И те, на месте, будут сами заниматься распределением квартир по военнослужащим, как это было раньше. (Все это со слов Колычева, когда с ним общались).Скажите,так кто же их всё таки выписывает,Москва или ЮРУЖО?
Re: Re:
#7098Было по разному: Сначала извещение, потом осмотр, потом отказ, далее новое предложение, осмотр, согласие , извещение, решение.Вам выписали извещение вначале или смотрели квартиру потом извещение?Вчера заселился на карякина 27, процесс от осмотра квартиры до заселения - 2 недели, включая выписку извещения, решение на заселение и ДСН.
-
- Заслуженный участник
- Сообщения: 545
- Зарегистрирован: 26 окт 2010, 16:48
- Откуда: Новороссийск
#7099
Вот вам и электронная очередь. Всё вернулось на круги своя. Приходи в нужное отделение ДЖО, не пустой естессно, и будет тебе счастье.Извещения выписывает РУЖО с июля месяца. По остаткам квартир: по каждой квартире звонят в Москву для разблокировки программы по квартире и заносят данные. Теперь по каждому вновь построенному дому или городку Москва будет распределять общее количество квартир по каждому РУЖО. И те, на месте, будут сами заниматься распределением квартир по военнослужащим, как это было раньше. (Все это со слов Колычева, когда с ним общались).
#7101
Извещения выписывает и Москва и ЮРУЖО,я в июле получил по извещению из Москвы,когда подписывал ДСН на втором этаже у двоих было Московское извещение а у остальных Ростовское,они даже по форме отличаются,насколько я понял Ростову отдали отказные и зависшие квартиры и несколько домов,а новостройками также распоряжается Москва,я узнавал на счет заявления на приватизацию,так один сотрудник сказал что мне сначала надо узнать в каком доме моя квартира: московского подчинения или ростовскогоСкажите,так кто же их всё таки выписывает,Москва или ЮРУЖО?

#7102
Здравия всем! Скажите пожалуйста,стоит ли писать заявление на ПМЖ Краснодар,увольняюсь по состоянию здоровья,документы все собраны,осталось вписать избранное место жительства,служу в Астрахани.
Воин Русской армии.
#7105
Ну это все зависит от того где Вы жить хотите. Если в Краснодаре то конечно стоит писать на Краснодар, ну а если в другом месте хотите жить, то пишите туда.стоит ли писать заявление на ПМЖ Краснодар
#7106
Да я хочу выбрать Краснодар,просто не знаю как там с жильем,его еще строят?
Воин Русской армии.
#7107
И строят и построено уже много и у гражданских застройщиков МО закупает жилье.Да я хочу выбрать Краснодар,просто не знаю как там с жильем,его еще строят?
#7108
В РУЖО на местах осталось все по старому. Извещения выписывает Москва. Те квартиры которые дают на местах - это или отказные по нескольку раз или зависшие в компьютерном учете в Москве (т.е. ее сначала нашли, а Москва с удивлением обнаружила, что это квартира МО рФ). А так же в особых случаях (в том числе по решению суда)
Добавлено спустя 2 минуты:
Но народ начинают немного надуривать. Одному воину вместо Краснодара второй раз присылают извещение на Лабинск, а первое было на Крымск!
Добавлено спустя 2 минуты:
Но народ начинают немного надуривать. Одному воину вместо Краснодара второй раз присылают извещение на Лабинск, а первое было на Крымск!
#7109
Высота потолков на 40 лет Победы дом 99! кто знает.Напишите про район. дом. лифт работает и вообще не знаю как жить на 14 этаже. На Камчатке выше 5 не подымался.
Вернуться в «ОБСТАНОВКА С ЖИЛЬЕМ ПО ГОРОДАМ»
Кто сейчас на конференции
Сейчас этот форум просматривают: Semrush [Bot] и 4 гостя